FW1 tipe Outdoor on load break switch (switch disconnector) yang terdapat dalam daftar ini ditujukan untuk mengganti jalur rintisan dan jalur utama ring atau transformator (Ini dapat dilengkapi dengan tautan sekering MV HRC sebagai fungsi perlindungan hubung singkat) atau untuk beralih di bawah kondisi beban aktif .
Sakelar tipe FW1 mematuhi standar rekomendasi IEC/IEEE dan DVE.Terutama mematuhi DIN VDE 0670 bagian 3 dan publikasi IEC IEC-60265, IEC-129.
| Status ketersediaan: | |
|---|---|
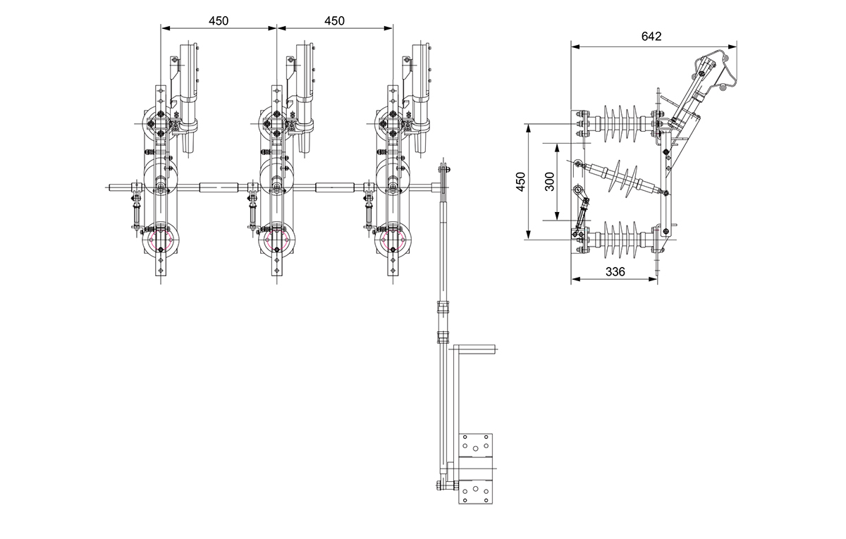
FW1-24
Lingkungan layanan
a) Suhu udara: Suhu maksimum: +75 ℃;Suhu minimum: -45 ℃
b) Kelembaban: Kelembaban rata-rata bulanan 95%;Kelembaban rata-rata harian 90% .
c) Ketinggian di atas permukaan laut: Ketinggian pemasangan maksimum: 2500m
d) Udara sekitar yang tampaknya tidak tercemar oleh gas, uap, dll yang korosif dan mudah terbakar.
e) Tidak sering terjadi goncangan keras
Fitur dan keuntungan
• Desain kompak
•Semua bagian baja baik dalam stainless steel atau hot-dip galvanis
•Rangka dasar yang kokoh dan stabil
• Kontak utama dengan perlindungan icing
• Isolator tersedia dalam porselen atau sebagai alternatif dalam silikon
•Sag minimal untuk koneksi saluran berkat dua terminal tetap
•Benar-benar pemeliharaan antirust AL alloy -Arc chamber
• Prosedur mematikan tanpa arc eksternal
•Kapasitas pembuatan hubung singkat dalam kondisi tertentu yang memungkinkan
•Memperbaiki struktur pendukung baik dengan menjepit (pengaturan bebas) atau meniduri (melubangi rangka dasar)
• Instalasi dan pengaturan yang mudah di tempat
• Keandalan tinggi: hingga 1.000 siklus (tergantung arus pembuatan)
• Semua bagian konduktor baik perak, nikel atau berlapis timah
• Praktis bebas perawatan

Lingkungan layanan
a) Suhu udara: Suhu maksimum: +75 ℃;Suhu minimum: -45 ℃
b) Kelembaban: Kelembaban rata-rata bulanan 95%;Kelembaban rata-rata harian 90% .
c) Ketinggian di atas permukaan laut: Ketinggian pemasangan maksimum: 2500m
d) Udara sekitar yang tampaknya tidak tercemar oleh gas, uap, dll yang korosif dan mudah terbakar.
e) Tidak sering terjadi goncangan keras
Fitur dan keuntungan
• Desain kompak
•Semua bagian baja baik dalam stainless steel atau hot-dip galvanis
•Rangka dasar yang kokoh dan stabil
• Kontak utama dengan perlindungan icing
• Isolator tersedia dalam porselen atau sebagai alternatif dalam silikon
•Sag minimal untuk koneksi saluran berkat dua terminal tetap
•Benar-benar pemeliharaan antirust AL alloy -Arc chamber
• Prosedur mematikan tanpa arc eksternal
•Kapasitas pembuatan hubung singkat dalam kondisi tertentu yang memungkinkan
•Memperbaiki struktur pendukung baik dengan menjepit (pengaturan bebas) atau meniduri (melubangi rangka dasar)
• Instalasi dan pengaturan yang mudah di tempat
• Keandalan tinggi: hingga 1.000 siklus (tergantung arus pembuatan)
• Semua bagian konduktor baik perak, nikel atau berlapis timah
• Praktis bebas perawatan

Insulator keramik, terutama terdiri dari alumina silikat, merupakan komponen penting dalam jalur transmisi dan distribusi overhead. Keandalan jangka panjangnya ditantang oleh faktor lingkungan yang menyebabkan penurunan kinerja. Artikel ini menganalisis mekanisme penuaan mendasar pada isolator keramik, dengan fokus pada radiasi ultraviolet (UV) dan akumulasi polusi. Hal ini lebih lanjut mengeksplorasi kemajuan terbaru dalam teknologi pelapisan fungsional yang dirancang untuk mengurangi dampak-dampak ini, sehingga memperpanjang umur layanan dan memastikan ketahanan jaringan listrik.
Selama beberapa dekade, misi inti dari penangkal lonjakan arus tetap konstan: untuk melindungi peralatan listrik dari tegangan lebih sementara, baik yang disebabkan oleh sambaran petir atau operasi peralihan, dengan menyediakan jalur impedansi rendah ke bumi dan dengan cepat memulihkan pengoperasian sistem normal. Namun, cara untuk mencapai misi ini sedang mengalami transformasi radikal. Didorong oleh tuntutan jaringan listrik modern—meningkatkan integrasi energi terbarukan, digitalisasi, dan kebutuhan akan keandalan yang lebih besar—teknologi arester bergerak melampaui peran tradisionalnya yang pasif menuju era komponen yang cerdas, adaptif, dan sangat tangguh.
Sakelar isolator, juga dikenal sebagai sakelar pemutus atau isolator, merupakan komponen mendasar dalam sistem tenaga listrik. Fungsi utamanya adalah menyediakan titik henti isolasi yang terlihat, memastikan pemeliharaan dan perbaikan peralatan hilir yang aman. Tidak seperti pemutus arus, pemutus arus tidak dirancang untuk memutus arus beban atau arus gangguan. Namun, pengoperasiannya yang andal—membuka dan menutup sesuai perintah—sangat penting untuk keamanan, fleksibilitas, dan ketersediaan sistem.
Sekring, sebagai perangkat perlindungan pasif yang penting namun sering diabaikan, sangat penting bagi keselamatan kelistrikan. Pengoperasiannya yang andal bergantung pada integritas permukaan insulasi dan elemen yang dapat melebur. Artikel ini menyelidiki dua mode kegagalan yang umum: kontaminasi permukaan yang cepat berlalu dan penuaan/degradasi internal. Kami memberikan analisis teknis terperinci mengenai mekanisme tersebut, menguraikan teknik identifikasi yang canggih dan praktis, serta menetapkan protokol pemeliharaan sistematis untuk meningkatkan keandalan sistem dan mencegah downtime yang tidak terduga.
Transisi global menuju jaringan pintar (smart grid) mewakili perubahan mendasar dalam cara kita menghasilkan, mendistribusikan, dan mengonsumsi energi listrik. Ditandai dengan aliran daya dua arah, integrasi mendalam sumber daya energi terdistribusi (DER) seperti tenaga surya dan angin, infrastruktur pengukuran canggih (AMI), dan analisis data real-time, jaringan pintar memerlukan perangkat perlindungan generasi baru. Di antaranya, sekring sederhana, yang merupakan landasan perlindungan listrik selama lebih dari satu abad, sedang mengalami transformasi teknologi besar-besaran. Masa depan teknologi sekering terletak pada evolusi dari komponen pelindung yang sederhana dan mudah dikorbankan menjadi aset jaringan yang cerdas, adaptif, dan kaya data.
Selama beberapa dekade, misi inti dari penangkal lonjakan arus tetap konstan: untuk melindungi peralatan listrik dari tegangan lebih sementara, baik yang disebabkan oleh sambaran petir atau operasi peralihan, dengan menyediakan jalur impedansi rendah ke bumi dan dengan cepat memulihkan pengoperasian sistem normal. Namun, cara untuk mencapai misi ini sedang mengalami transformasi radikal. Didorong oleh tuntutan jaringan listrik modern—meningkatkan integrasi energi terbarukan, digitalisasi, dan kebutuhan akan keandalan yang lebih besar—teknologi arester bergerak melampaui peran tradisionalnya yang pasif menuju era komponen yang cerdas, adaptif, dan sangat tangguh.
Arester lonjakan jalur distribusi (DLSA) berfungsi sebagai perangkat pelindung penting yang dipasang pada sistem distribusi daya overhead, biasanya berkekuatan antara 1 kV dan 38 kV. Fungsi utamanya adalah untuk melindungi peralatan listrik, transformator, dan infrastruktur terhadap tegangan lebih sementara yang disebabkan oleh sambaran petir, operasi peralihan, dan gangguan listrik lainnya.
MOSKOW, RUSIA – Pada tanggal 2 hingga 4 Desember 2025, Zhejiang Haivo berhasil berpartisipasi dalam Pameran Peralatan Jaringan Listrik Internasional di Rusia, menampilkan inovasi terbarunya dalam perlindungan listrik dan teknologi distribusi daya.
Pemutusan sekering putus adalah komponen penting dalam sistem distribusi overhead, yang memberikan perlindungan dan isolasi arus berlebih. Namun, paparan terhadap tekanan lingkungan, listrik, dan mekanis dalam waktu lama dapat menyebabkan penuaan, sehingga menurunkan kinerja dan keandalan. Artikel ini membahas mekanisme penuaan utama dan menguraikan strategi pencegahan dan pemeliharaan yang efektif untuk memperpanjang masa pakai dan memastikan keamanan sistem.
Sistem steker dan soket tegangan tinggi luar ruangan (biasanya 1kV hingga 52kV) mewakili solusi teknik canggih yang dirancang untuk sambungan listrik yang aman dan andal di lingkungan yang menuntut. Konektor yang dapat dipisahkan ini memungkinkan distribusi daya yang fleksibel sekaligus menjaga integritas sistem di jaringan utilitas, instalasi industri, dan aplikasi energi terbarukan. Tidak seperti konektor tegangan rendah, konektor HV memerlukan perhatian cermat terhadap kontrol medan listrik, koordinasi isolasi, dan perlindungan lingkungan.
Surel:jonsonchai@chinahaivo.com
WeChat: +86 13587716869
WhatsApp: +86 13587716869
Tel: 0086-577-62836929.
0086-577-62836926.
0086-13587716869.
0086-15957720101.